Disabling Vehicle Proximity Notification System (VPNS) 2020 RX 450h

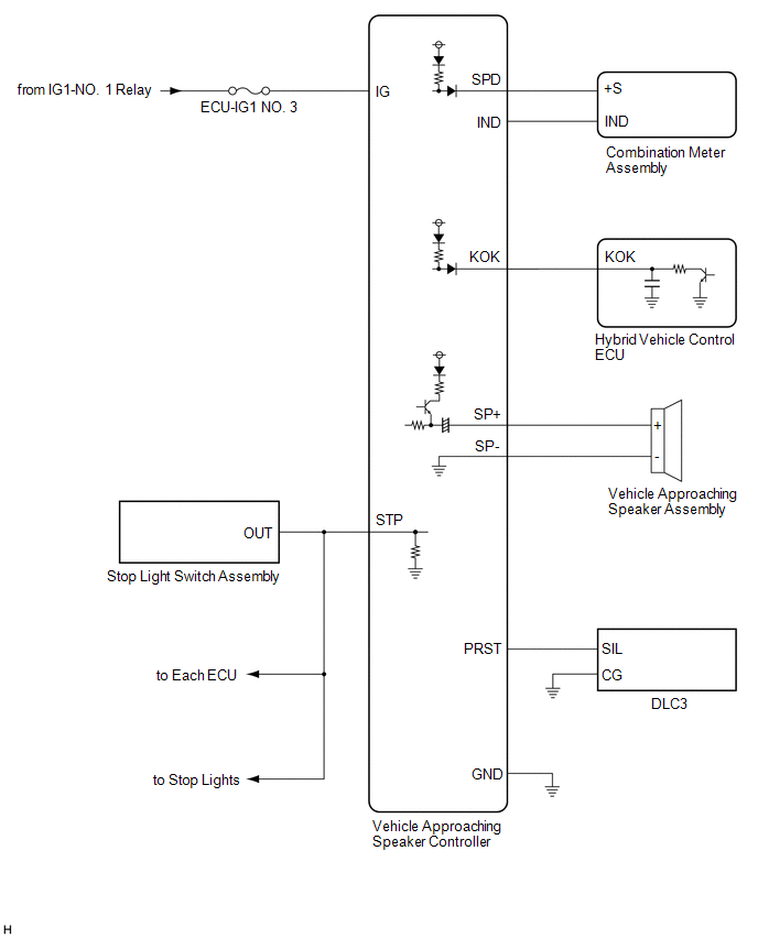
Vehicle Proximity Notification System. Lexus CT 200h primeste pachetul F Sport 2012Vehicle Proximity I have since discovered, however that the 2019 (and I assume 2020) hybrid RAV4 makes a completely different noise and that a number of its owners are very unhappy. Welcome to the forum JOHNFIN23! Regarding #1: Vehicle Proximity Notification System (a) When the vehicle is being driven quietly using the electric motor only, the vehicle proximity notification system outputs a warning sound from the "vehicle approaching" speaker assembly to inform pedestrians, cyclists etc., of the approach of the vehicle.

Vehicle Proximity Notification System Elimination (Sorry Blind People
Vehicle Proximity Notification System Elimination (Sorry Blind People from priuschat.com

This external sound system is designed to help assist pedestrians to be aware of the presence of hybrid or electric vehicles traveling at low speeds on city streets and will automatically turn off above a certain speed Tire Pressure Monitoring System (TPMS): TPMS alerts the driver when a tire's pressure becomes critically low, helping to maintain optimal tire performance and avoid hazardous blowouts

Vehicle Proximity Notification System Elimination (Sorry Blind People

All CT 200h receive a standard Vehicle Proximity Notification System As a man of science, I set out today to explore Toyota's Proximity Alert System which in my 2020 RAV4 Hybrid will emit a sound alerting nearby pedestrians that the vehicle is in a drive gear and may begin to move Vehicle Proximity Notification System (VPNS): VPNS uses audio and visual alerts to notify pedestrians of an approaching vehicle when operating in electric-only.

RAV4 Hybrid Proximity Alert System An experiment Toyota RAV4 Forums. (c) Vehicle proximity notification system operation automatically stops when the vehicle is stopped, the engine starts or the vehicle is driven at 25 km/h (16 mph) or more. Can the hybrid owners confirm its presence in the Avalon? Here's a video of VPNS on the 2012 Prius: 2013 Avalon Hybrid Limited with tech pkg Moulin Rouge/Black

Where is speaker for Vehicle Proximity Notification System in '23 PP. As a man of science, I set out today to explore Toyota's Proximity Alert System which in my 2020 RAV4 Hybrid will emit a sound alerting nearby pedestrians that the vehicle is in a drive gear and may begin to move Preconceptions should be discarded in order to make.